黃銅法蘭過濾(lü)器
産品型号:LV41-16T
公(gong)稱壓力:1.6MPa
工作介(jiè)質:水
工作溫度(dù):-20℃≤t≤120℃
産品詳情
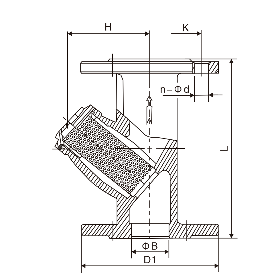
主要外形(xing)尺寸
|
NPS(in) |
H |
K |
n-Φd |
|||
|
80 |
3 |
305 |
160 |
200 |
8-18 |
|
|
100 |
4 |
314 |
220 |
180 |
220 |
8-18 |
|
125 |
398 |
235 |
210 |
245 |
8-18 |
|
|
150 |
6 |
470 |
240 |
280 |
8-22 |
|
|
200 |
8 |
543 |
330 |
295 |
338 |
11-30 |
Copyright © 2022-2023 南京博高(gao)閥門有限公司(si) 版權所有 京ICP證(zhèng)000000号
蘇公網安備(bèi) 32010202011315号
蘇公網安備(bèi) 32010202011315号
網站建設: 豐(feng)盛科技